斷路器控制回路是電力系統重要的組成部分,它能夠在電力系統故障發生時及時切斷故障點,保護設備和人身安全。但由于各種原因,控制回路可能會出現斷線的情況。下面我們將從斷路器控制回路的基本構成、斷線的原因和處理方法三個方面來分析和探討這一問題。
典型控制回路
1.基本跳合閘回路
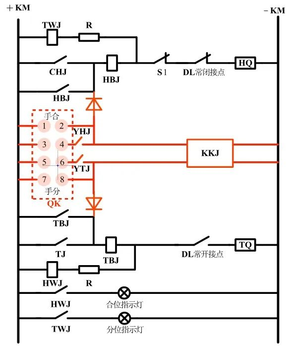
斷路器控制回路的簡化跳、合閘原理圖如圖1所示,其中+KM和-KM代表正、負電源,DL為斷路器輔助觸點,HQ、TQ分別為合、跳閘線圈。(注意:為了方便理解,將手合/遙合/重合閘動作接點在圖中簡化為同一個合閘出口接點,手跳/遙跳/保護跳類似。)
假定斷路器在合閘狀態,斷路器輔助接點DL常開接點閉合。當保護裝置發跳閘命令,跳閘出口接點閉合,通過正電源→跳閘出口接點→DL→TQ→負電源構成回路,跳閘線圈TQ得電,斷路器跳閘。斷路器完成跳閘動作后,DL常開接點斷開跳閘回路,DL常閉接點閉合,為下次合閘做準備。斷路器合閘過程同理。
為何需要利用輔助觸點DL常開接點斷開跳閘電流:一是為了防止跳閘出口接點粘連造成跳閘線圈TQ燒壞(因為TQ的熱容量是按短時通電來設計的);二是因為如果由跳閘出口接點來斷開跳閘電流,由于接點的斷弧容量不夠,容易造成接點燒壞,這就為下一次保護跳閘(或合閘)埋下了隱患。
2.監視回路
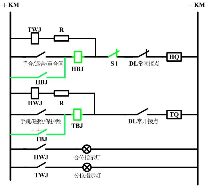
控制回路應該能夠反映斷路器的位置狀態以及跳合閘回路的完整性。所以我們在回路中增加了TWJ、HWJ來監視跳閘回路、合閘回路的完整性,如圖2中用藍色部分所示。HWJ和TWJ分別為合、分閘監視繼電器。
當開關在分位時,DL常閉觸點閉合,TWJ繼電器所在回路導通,TWJ動作,在本圖下方的TWJ常開觸點閉合,分位指示燈點亮,反映斷路器在分閘位置,合閘回路完好。同理合位指示燈亮時,指示斷路器在合閘位置,跳閘回路完好。
此時有一個問題需要思考?在分閘監視回路導通時,有電流流過合閘線圈HQ,會不會引起斷路器合閘誤動作?
答案是不會的,因為在分閘監視回路中串入了限流電阻R,回路中流經的電流會很小,低于合閘線圈HQ的啟動電流值,因此并不會合閘。
3.跳、合閘保持回路
在分、合閘操作時,發出的遙合/遙分指令一般為幾百毫秒的高電平脈沖,為防止該脈沖在分、合閘操作結束前失效,保證分、合閘動作完全,需要加入保持回路。簡單來說就是為了防止跳、合閘出口接點先于DL輔助接點斷開,導致分、合閘動作未完成,因此增加了跳、合閘自保持回路,如圖3綠色部分所示。其中HBJ和TBJ分別代表合、跳閘保持繼電器,S1代表儲能彈簧的行程節點。
當合閘操作時,HBJ繼電器導通,HBJ常開觸點閉合,這時無論合閘出口接點是否斷開,合閘回路都會通過HBJ觸點導通,完成合閘操作,此時無論合閘出口接點是否先于DL輔助接點斷開,都不會影響斷路器合閘。分閘同理。
但是增加HBJ繼電器存在弊端:發出合閘命令HBJ動作后,此時合閘回路的通斷完全由輔助接點DL決定,如果彈簧未儲能,斷路器無法正常合閘,DL常閉觸點就一直閉合,合閘電流一直存在,易燒毀HQ,所以要串入儲能彈簧的行程節點S1。
4.合后繼電器回路
一般斷路器分、合閘操作可分為:就地手動、遠方遙控以及保護裝置自動控制三種方式,控制回路應該具有區分保護裝置動作和人為操作斷路器的功能,所以還應加入合后繼電器(KKJ),如圖4中紅色部分。
此時我們可將圖一中簡化的出口接點進行拆分:CHJ為重合閘接點,TJ為保護跳閘接點,YHJ為遙控合閘接點。YTJ為遙控分閘接點,HHJ為合后繼電器,QK為開關操作把手。
當把手位置在遠方時,③④、⑤⑥接點導通,可進行遙控操作。
當把手位置在就地合閘時,①②接點導通,完成就地合閘操作。
當把手位置在就地分閘時,⑦⑧接點導通,完成就地分閘操作。
圖中的KKJ繼電器為雙位繼電器,當手動(遙控)合閘時,KKJ繼電器動作,置“1”,并且始終保持直到分閘才返回;當手分/遙分觸點閉合時,KKJ繼電器返回,置"0",并且始終保持直到合閘才返回。
由于存在二極管(單向導通),CHJ和TJ是不會觸發KKJ繼電器的,KKJ的作用是用來判斷是正常的分合閘操作,還是故障時保護裝置的跳合閘動作。當正常的分合閘操作時,KKJ應變位,當保護動作跳合閘時,KKJ應不變位。KKJ的常開接點提供給“事故總”信號以及重合閘裝置使用。
5.防跳回路
所謂防跳并不是防止“跳閘”而是防止“跳躍”。跳躍指的是由于控制開關合閘位置停留時間過長或觸點粘連同時線路發生永久性故障,造成斷路器不斷重復跳-合-跳-合-跳的過程。
發生跳躍會導致導致故障電流多次沖擊,損壞斷路器甚至爆炸。防跳回路詳見圖5中粉色部分,其中TBJV為防跳繼電器。
當保護裝置動作時,跳閘回路中有電流流過,防跳回路中的TBJ常開觸點閉合,此時如果發生合閘觸點黏連的情況,合閘命令一直發出,那么合閘觸點→TBJV→TBJ這條回路導通,防跳電壓繼電器TBJV將會電壓自保持,自保持中的TBJV觸點閉合,在HBJ旁的TBJV常閉觸點將斷開,切斷合閘回路,防止斷路器“跳躍”。
如果跳閘期間沒有分閘命令存在,則在斷路器完成分閘后,跳閘回路被DL常開接點斷開,TBJ電流線圈失電,此時由于合閘接點一直是斷開的,不能形成TBJV電壓自保持,復歸。TBJV重新閉合,合閘回路完好,不影響下次的跳合閘。
控制回路斷線分析
1.原因分析
“控制回路斷線”信號的原理是通過跳位繼電器(TWJ)和合位繼電器(HWJ)來監視回路完好情況。如圖6所示為跳位繼電器(TWJ)常閉觸點與合位繼電器(HWJ)常閉觸點串聯構成信號回路。
只有合閘位置繼電器HWJ和跳閘位置繼電器TWJ同時失壓,才致使兩者常閉接點同時閉合,回路接通,保護報控制回路斷線信號。顯然,只有開關跳閘或合閘回路的完整性被破壞時,才會出現這種異常情況。
值得注意的是,在遙控分合閘時會報控制回路斷線信號,結合圖4可知,合閘時,彈簧釋放能量使斷路器合閘,此時彈簧處于未儲能狀態,合閘回路中的彈簧儲能接點S1打開,此時TWJ所在回路斷開,TWJ失磁,同時由于斷路器還未合到位,跳閘回路中常開接點(DL)還是處于打開狀態,從而HWJ不能勵磁,這時TWJ與HWJ均不勵磁,便發出控回斷線信號。當合閘完成后,常開接點(DL)閉合,接通跳閘回路,HWJ勵磁,控斷信號復歸。由于斷路器合閘過程時間很短,控斷信號發出后即可復歸。
2.故障原因
(1)外部原因
控制電源空開跳開,或回路失去電源手車開關電源插件沒插好或手車開關沒有推到預備位或工作斷開器的儲能電源開關斷開斷路器匯控柜內的遠/近控開關在“就地”位置六氟化硫低氣壓閉鎖動作
(2)分閘時控制回路異常
常閉接點(DL)異常彈簧儲能電機的相關輔助接點松動或異常導致彈簧儲能接點(S1)斷開合閘線圈故障燒壞導致合閘回路斷線S2接點由于合閘閉鎖電磁鐵故障不勵磁而不能閉合,使合閘回路斷線合閘回路中其他電氣元件故障,導致合閘回路斷開
(3)合閘時控制回路異常
常開接點(DL)異常分閘線圈故障燒壞導致分閘回路斷線分閘回路中其他電氣元件故障,導致分閘回路斷開
3.故障危害
控制回路斷線的最直接的危害就是導致開關無法正常分合閘,分閘時保控制回路斷線說明合閘回路異常,開關無法合閘,合閘時報控制回路斷線說明分閘回路異常,開關無法正常分閘。
舉例:若某10kV母線中某條10kV線路開關合閘時報控制回路斷線,當該線路發生故障時,雖保護發跳閘出口,但該開關并不能跳閘,這時必須由主變低后備動作跳閘隔離故障,直接導致整條母線失電,擴大了事故范圍。
控制回路斷線處理方式
1、電氣方面的原因,能根據圖紙自行查找處理的故障應立即處置,不能查找處理的立即上報缺陷,等候檢修班現場處理。
2、因為壓力降低、機構原因出現控制回路斷線時,應首先匯報調度,申請轉移負荷、采用旁路帶線或用上一級斷路器隔離的方法停電處理。
下一篇:國網公司58個專業名詞解釋




友情鏈接: